




За консультациями обращайтесь по тел. (812) 448-29-07(08) или по электронной почте
ЖБИ для промышленного строительства





-ts1645577524.png?ts=1762337719)









Применение сборных фундаментов по колонны имеет ряд преимуществ - позволяет быстро заканчивать нулевой цикл и не держать открытым котлован, предохраняя дно котлована от увлажнения атмосферными осадками и промерзания и т.п. Данные обстоятельства могут снизить несущую способность основания, поэтому применение сборных фундаментных стаканов способствует сохранению природных свойств грунта.
фундамента без нижней плиты (подошвы). Нижняя плита заливается непосредственно на объекте.фундамента с плитой. На объект поставляется в готовом виде.
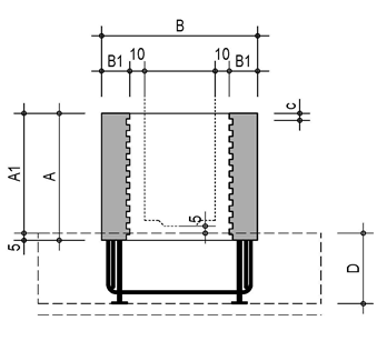
Технические характеристики железобетонных фундаментов под колонны
Проектный класс бетона по прочности на сжатие для сборных фундаментов стаканного типа рекомендуется назначать не ниже В25.
Глубина стакана равна (1,0-1,5) hK, где hK — наибольший из размеров поперечного сечения колонны.
Толщину верхней части стенок стакана принимают равной 0,75 высоты верхней ступени фундамента, но не менее 200 мм, а по внутренним граням стакана ставят конструктивную арматуру для предохранения от случайных ударов при монтаже колонн.
По подошве фундамент армируют рабочей арматурой в виде сетки. При монтаже колонн зазоры между колонной и фундаментом заполняют мелкозернистым бетоном класса не менее В15; после твердения этого бетона вся конструкция работает как монолитная.
Возможно изготовление профилированной внутренней поверхности фундамента для лучшего сцепления с колонной.
Возможно применение фаски C= 2,5-5 см по граням фундамента.
Проектирование.
Обращаясь к нам на этапе проектирования здания, Вы получите квалифицированные консультации и варианты готовых решений, адаптированных под современные нормы строительства. В комплекс услуг по проектированию входит разработка КЖ и КЖИ железобетонных элементов.